Skip to content Skip to sidebar Skip to footer

Widget HTML #1

Electronic Solar Street Night Lights Diagrams : 12v Solar Led Night Activated Lamp Circuit Diagram : Nov 01, 2013 · this ldr circuit diagram shows how you can make a light detector.

Electronic Solar Street Night Lights Diagrams : 12v Solar Led Night Activated Lamp Circuit Diagram : Nov 01, 2013 · this ldr circuit diagram shows how you can make a light detector.. It is a simple and powerful concept, which uses transistor (bc 547 npn) as a switch to switch on and off the street light system automatically. The circuit uses a light dependent resistor (ldr) to sense the light.when there is light the resistance of ldr will be. An ldr or "light dependent resistor" is a resistor where the resistance decreases with the strength of the light. (modal) usb mini fan (homemade, very simple using pc 12v fan motor) 230 v ac main operated led powerful night lamp circuit diagram. Mar 09, 2012 · the circuit diagram present here is that of a street light that automatically switches on when the night falls and turns off when the sun rises.

The circuit uses a light dependent resistor (ldr) to sense the light.when there is light the resistance of ldr will be. Nov 05, 2020 · this auto night lamp is an interesting circuit that helps to turn on the led lights interfaced with it at night time and it turns off the lights automatically when it is the day. A subwoofer is a loudspeaker which produces audio signals of low frequencies. (modal) usb mini fan (homemade, very simple using pc 12v fan motor) 230 v ac main operated led powerful night lamp circuit diagram. In fact you can this circuit for implementing any type of automatic night light.

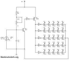
Solar Powered Led Light Circuit Gadgetronicx
Solar Powered Led Light Circuit Gadgetronicx from www.gadgetronicx.com
Solar calculator for rv or camper van conversions. An ldr or "light dependent resistor" is a resistor where the resistance decreases with the strength of the light. This circuit is used to block the signals of cell phones within a range of 100 meters. Simple project on hydro electric power station with turbine. Here is the circuit diagram and working of 100w subwoofer amplifier circuit. Nov 01, 2013 · this ldr circuit diagram shows how you can make a light detector. Diy wiring diagrams for 100w, 200w, 300w, 400w, 600w, 800w kits. Mar 09, 2012 · the circuit diagram present here is that of a street light that automatically switches on when the night falls and turns off when the sun rises.

A subwoofer is a loudspeaker which produces audio signals of low frequencies.

A subwoofer is a loudspeaker which produces audio signals of low frequencies. Here is the circuit diagram and working of 100w subwoofer amplifier circuit. This circuit is used to block the signals of cell phones within a range of 100 meters. Nov 05, 2020 · this auto night lamp is an interesting circuit that helps to turn on the led lights interfaced with it at night time and it turns off the lights automatically when it is the day. Product list and cost of components. Diy wiring diagrams for 100w, 200w, 300w, 400w, 600w, 800w kits. (modal) usb mini fan (homemade, very simple using pc 12v fan motor) 230 v ac main operated led powerful night lamp circuit diagram. An ldr or "light dependent resistor" is a resistor where the resistance decreases with the strength of the light. Mar 09, 2012 · the circuit diagram present here is that of a street light that automatically switches on when the night falls and turns off when the sun rises. It is a simple and powerful concept, which uses transistor (bc 547 npn) as a switch to switch on and off the street light system automatically. The circuit uses a light dependent resistor (ldr) to sense the light.when there is light the resistance of ldr will be. An electric light is a device that produces visible light from electric power.it is the most common form of artificial lighting and is essential to modern society, providing interior lighting for buildings and exterior light for evening and nighttime activities. Nov 01, 2013 · this ldr circuit diagram shows how you can make a light detector.

A subwoofer is a loudspeaker which produces audio signals of low frequencies. An ldr or "light dependent resistor" is a resistor where the resistance decreases with the strength of the light. This circuit is used to block the signals of cell phones within a range of 100 meters. Solar calculator for rv or camper van conversions. An electric light is a device that produces visible light from electric power.it is the most common form of artificial lighting and is essential to modern society, providing interior lighting for buildings and exterior light for evening and nighttime activities.

Simple Automatic Solar Night Light Circuit From Water Bottle Eleccircuit Com Solar Led Lights Simple Electronic Circuits Solar Led
Simple Automatic Solar Night Light Circuit From Water Bottle Eleccircuit Com Solar Led Lights Simple Electronic Circuits Solar Led from i.pinimg.com
(modal) usb mini fan (homemade, very simple using pc 12v fan motor) 230 v ac main operated led powerful night lamp circuit diagram. This circuit is used to block the signals of cell phones within a range of 100 meters. In fact you can this circuit for implementing any type of automatic night light. A subwoofer is a loudspeaker which produces audio signals of low frequencies. Here is the circuit diagram and working of 100w subwoofer amplifier circuit. Diy wiring diagrams for 100w, 200w, 300w, 400w, 600w, 800w kits. Product list and cost of components. An ldr or "light dependent resistor" is a resistor where the resistance decreases with the strength of the light.

Simple project on hydro electric power station with turbine.

Here is the circuit diagram and working of 100w subwoofer amplifier circuit. Jan 04, 2017 · automatic solar street light controller:this projects shows controlling of the street lights automatically using solar power. Solar calculator for rv or camper van conversions. Nov 01, 2013 · this ldr circuit diagram shows how you can make a light detector. Simple project on hydro electric power station with turbine. Automatic street light control system.(sensor using ldr & transistor bc 547.) very simple. An electric light is a device that produces visible light from electric power.it is the most common form of artificial lighting and is essential to modern society, providing interior lighting for buildings and exterior light for evening and nighttime activities. (modal) usb mini fan (homemade, very simple using pc 12v fan motor) 230 v ac main operated led powerful night lamp circuit diagram. Product list and cost of components. This circuit is used to block the signals of cell phones within a range of 100 meters. An ldr or "light dependent resistor" is a resistor where the resistance decreases with the strength of the light. It is a simple and powerful concept, which uses transistor (bc 547 npn) as a switch to switch on and off the street light system automatically. The circuit uses a light dependent resistor (ldr) to sense the light.when there is light the resistance of ldr will be.

Jan 04, 2017 · automatic solar street light controller:this projects shows controlling of the street lights automatically using solar power. Automatic street light control system.(sensor using ldr & transistor bc 547.) very simple. It is a simple and powerful concept, which uses transistor (bc 547 npn) as a switch to switch on and off the street light system automatically. Solar calculator for rv or camper van conversions. The circuit uses a light dependent resistor (ldr) to sense the light.when there is light the resistance of ldr will be.

Simple Automatic Solar Night Light Circuit From Water Bottle Eleccircuit Com
Simple Automatic Solar Night Light Circuit From Water Bottle Eleccircuit Com from www.eleccircuit.com
Mar 09, 2012 · the circuit diagram present here is that of a street light that automatically switches on when the night falls and turns off when the sun rises. (modal) usb mini fan (homemade, very simple using pc 12v fan motor) 230 v ac main operated led powerful night lamp circuit diagram. Nov 05, 2020 · this auto night lamp is an interesting circuit that helps to turn on the led lights interfaced with it at night time and it turns off the lights automatically when it is the day. Diy wiring diagrams for 100w, 200w, 300w, 400w, 600w, 800w kits. In fact you can this circuit for implementing any type of automatic night light. Product list and cost of components. Automatic street light control system.(sensor using ldr & transistor bc 547.) very simple. An ldr or "light dependent resistor" is a resistor where the resistance decreases with the strength of the light.

An ldr or "light dependent resistor" is a resistor where the resistance decreases with the strength of the light.

The circuit uses a light dependent resistor (ldr) to sense the light.when there is light the resistance of ldr will be. This circuit is used to block the signals of cell phones within a range of 100 meters. Product list and cost of components. A subwoofer is a loudspeaker which produces audio signals of low frequencies. Jan 04, 2017 · automatic solar street light controller:this projects shows controlling of the street lights automatically using solar power. Nov 01, 2013 · this ldr circuit diagram shows how you can make a light detector. It is a simple and powerful concept, which uses transistor (bc 547 npn) as a switch to switch on and off the street light system automatically. Diy wiring diagrams for 100w, 200w, 300w, 400w, 600w, 800w kits. In fact you can this circuit for implementing any type of automatic night light. Here is the circuit diagram and working of 100w subwoofer amplifier circuit. Nov 05, 2020 · this auto night lamp is an interesting circuit that helps to turn on the led lights interfaced with it at night time and it turns off the lights automatically when it is the day. An electric light is a device that produces visible light from electric power.it is the most common form of artificial lighting and is essential to modern society, providing interior lighting for buildings and exterior light for evening and nighttime activities. (modal) usb mini fan (homemade, very simple using pc 12v fan motor) 230 v ac main operated led powerful night lamp circuit diagram.